\
other
Productos
Hogar

Serie de rodamientos de alumadreja de motor

oruga

Rodamiento para motoniveladora Caterpillar 4N0432 4N-0432

Rodamiento para motoniveladora Caterpillar 4N0432 4N-0432

4N0432 RODAMIENTO DE BOLAS Las piezas de Caterpillar se adaptan a: 120G, 12G, 12H, 12H ES, 12H NA, 130G, 140G, 140H, 140H ES, 140H NA, 143H, 14G, 14H NA, 160G, 160H, 160H ES, 160H NA, 163H NA, 16G, 16H NA, 215, 225, 229, 235, 235B, 245, 3204, 330, 330 FM L, 330



  • Marca:

    ZHZB
  • Artículo no.:

    4N0432 4N-0432
  • Orden (Moq):

    1
  • Pago:

    T/T ; Western Union; Moneygram
  • Origen del producto:

    CHINA
  • Puerto de envío:

    Guangzhou,Qingdao,Shanghai,Ningbo,shenzhen
  • Tiempo de entrega:

    3-7 days
  • Detalle del producto


Rodamiento para motoniveladora 4N0432 4N-0432


Especificación

N/P

4N0432

Material:

GCR15

identificación

mm

SOBREDOSIS

mm

H

mm

Marca:

ZHZB

Precisión


Estructura:

Rodamientos de bolas


Características del producto:
1. Rodamientos de agujas especiales para maquinaria y equipos de construcción
2. Alta precisión
3. Bajo nivel de ruido en funcionamiento
4. Alta velocidad, alta capacidad de carga radial

Nuestra ventaja:
Inspección de calidad de fábrica al 100%;
Permitir pedidos pequeños;
Plazo de entrega más rápido;
Mayor rentabilidad;
Con numerosos socios nacionales y extranjeros, garantía de calidad absoluta;
Fabricante profesional de rodamientos de agujas. Contamos con muchos años de experiencia en la fabricación.


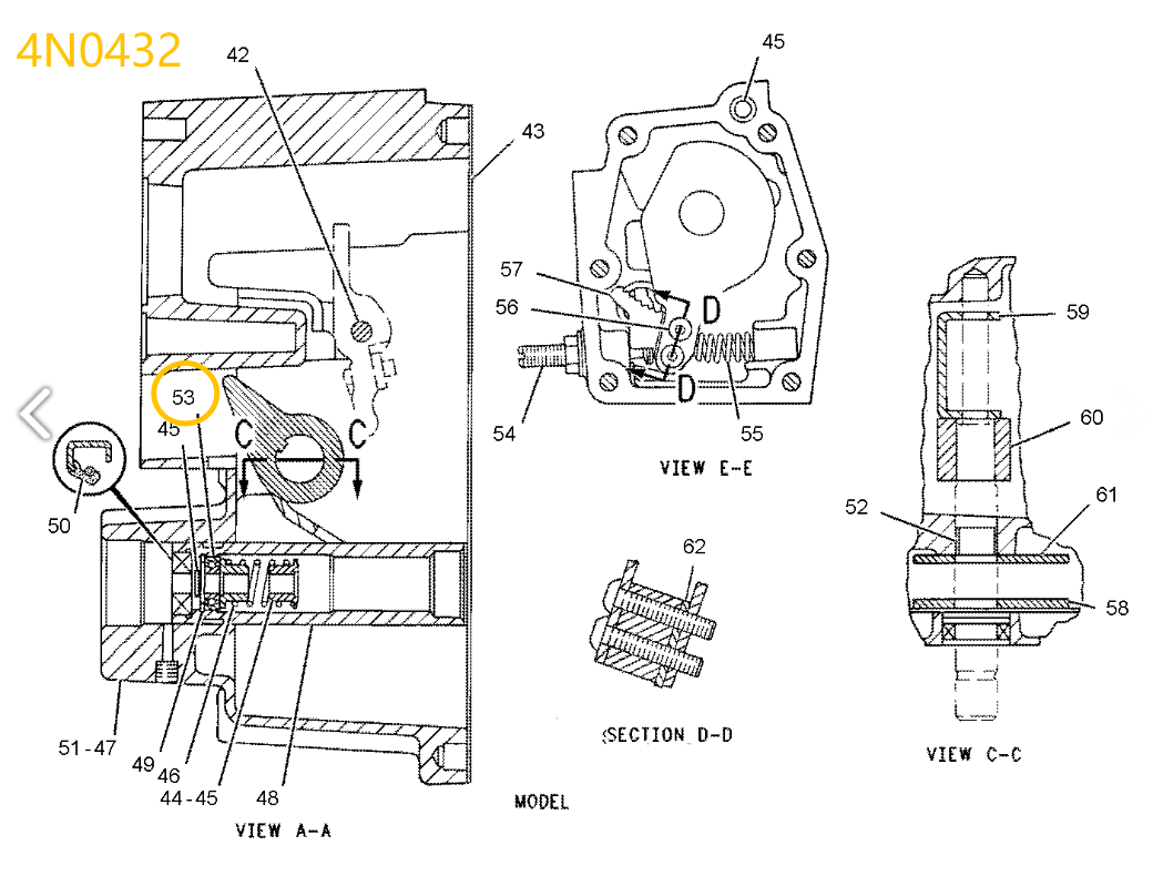
Proceso de producción






Fotos del producto

Caterpillar Bearing 4N-0432

ZHZB w con una rotación más suave. con menos ruido.


CATERPILLAR 4N0432

Este producto tiene una larga vida útil gracias a su construcción duradera.




Si necesita alguna otra pieza para el sistema de transmisión final, búsquela en la imagen y el formulario que aparecen a continuación y hágamelo saber; le enviaremos un presupuesto.

ZHZB 4N0432 4N-0432

Productos relacionados

Pos.

Número de pieza

Cantidad

Nombre de las piezas

1

6D-3897

[1]

TORNILLO (8-32X0.5-PULG.)

2

6L-5897

[2]

TORNILLO (1/4-20X0.875-PULG.)

3

2W-6104

[1]

BLOQUEAR AS-STOP

2W-6103

[1]

CLAVIJA

4

1W-4243

[1]

PARACHOQUES DE RESORTE

5

8N-2488

[1]

TOPE DE CARGA DEL PERNO

6

8N-3256

[1]

TOPE DE CARGA DEL COLLAR

7

8L-5832 C

[1]

TUERCA HEXAGONAL (10-32-THD)

8

5H-6552

[1]

TORNILLO DE AJUSTE - CASCO (10-32X1.25-PULG.)

-O-

9Y-4701 C

[1]

TORNILLO DE AJUSTE - CASCO (10-32X1.38-PULG.)

9

1W-6523

[1]

ENCHUFAR

10

8N-3259

[1]

CUBIERTA - RALENTÍ ALTO

6I-2003

[1]

EMPAQUETADORA

11

7N-2594

[1]

TORNILLO DE AJUSTE RANURADO

7N-8775

[1]

NUEZ-ALTO RALENTÍ

12

5P-6945

[2]

TORNILLO (1/4-20X1.125-PULG.)

5P-0537

[2]

ARANDELA DURA (7,2 x 14,5 x 2 mm de espesor)

13

3J-7354

[1]

JUNTA TÓRICA

14

4N-5485

[1]

CUERPO-VÁLVULA

5F-9144

[1]

JUNTA TÓRICA

15

4N-5484

[1]

VÁLVULA-AGUJA

6H-9691

[1]

JUNTA TÓRICA

16

0S-1616

[6]

TORNILLO (1/4-20X1-PULGADA)

17

7N-8780

[1]

CUBIERTA AS-CONTROL

18

5P-3272

[1]

TIPO DE LABIO DE SELLO

19

7N-8779

[1]

JUNTA DE LA TAPA

20

3P-0009

[1]

AISLANTE

21

1P-2497

[2]

CABEZA DE TORNILLO

8T-0328

[2]

ARANDELA DURA (5,5 x 10 x 1 mm de espesor)

22

8N-3258

[1]

TOPE DE CARGA DE LA CUBIERTA

6I-2004

[1]

EMPAQUETADORA

23

2N-0828

[2]

ARANDELA

24

1N-3800

[1]

CONTROL DE MANGA Y BANCO

25

6N-3504

[1]

ASIENTO - GOBERNADOR SPRING

26

2W-2216

[1]

ENLACE DE RESORTE

27

2M-7819

[2]

ANILLO DE RETENCIÓN

28

1N-3802

[1]

ASIENTO-RESORTE

29

8N-2507

[1]

PISTÓN AS-SERVO

8N-2505

[1]

SERVOVÁLVULA-REGULADOR

7C-0791 C

[1]

CILINDRO COMO

7N-7271 C

[1]

CONTROL DE PALANCA

3G-3835 C

[1]

ALFILER

30

1W-4098 C

[1]

SERVO DE PISTÓN-REGULADOR

31

7W-0250 C

[1]

MANGA

32

5P-9757

[1]

JUNTA TÓRICA

33

031-0216

[3]

TORNILLO (1/4-20X0.75-PULG.)

34

4N-2953

[1]

CIERRE DE ANILLO

35

7E-4892

[1]

COJINETE DE EMPUJE DE CARRETERA

36

7M-7219

[1]

EMPUJE DE COJINETE

37

4W-6868

[1]

RISER-GOBERNADOR

38

2P-9556

[1]

ARANDELA (1,17 x 1,5 x 0,06 pulgadas de espesor)

39

8N-2495

[1]

VIVIENDA COMO GOBERNADOR

8S-6814

[4]

ALFILER

4F-6024

[2]

ALFILER

40

8N-2503

[1]

ACTUADOR COMO GOBERNADOR

4N-6407

[1]

CARRETE-PANEL DE CONTROL

4N-6406

[1]

ESPACIADOR DE ANILLO

41

4N-6404

[1]

ANILLO DE RETENCIÓN

42

7N-8785

[1]

EJE-PIVOTE

43

8N-2496

[1]

JUNTA-CARCASA DEL REGULADOR

44

7N-7270

[2]

MANGA-RESORTE

45

7N-8821

[3]

ANILLO DE RETENCIÓN

46

3K-5733

[1]

PRIMAVERA

47

8N-2501

[1]

VIVIENDA COMO GOBERNADOR

7E-5346

[1]

VÁLVULA COMO

48

8N-2499

[1]

GUÍA DE PRIMAVERA

49

3D-8317

[1]

ANILLO DE RETENCIÓN

50

4N-0260

[1]

TIPO DE LABIO DE SELLO

51

2F-2290

[1]

NÚCLEO DE ENCHUFE

52

8N-3945

[1]

BUJE-TERMINAL

53

4N-0432

[1]

RODAMIENTO DE BOLAS

54

2W-9996

[1]

TORNILLO DE TOPE DE RALENTÍ (1/4-20X1.25-PULG.)

4W-9362

[1]

TUERCA DE SEGURIDAD

55

2W-7400

[1]

PRIMAVERA

56

6V-8137

[2]

TORNILLO DE CABEZA DE BOTÓN (10-24X1-PULGADA)

57

7W-2000 C

[1]

DETENER

58

2W-9305

[1]

ACELERADOR DE PLACA

59

2W-6102

[1]

ASIENTO DE PALANCA CON RESORTE

60

8N-3168

[1]

ACELERADOR DE PALANCA

61

7W-1321

[1]

ACELERADOR DE PLACA

62

7W-1318

[1]

PLACA DE RETENCIÓN



Fábrica tratamiento y almacenamiento

ZHZB bearing factory


Compañía

Misión de ZHZB: ¡Estamos comprometidos a proporcionar soluciones de componentes de rodamientos para toda la maquinaria y equipos de construcción!

ZHZB se fundó en 2004 y se ha dedicado al desarrollo y la producción de rodamientos para maquinaria de ingeniería. Nuestros productos se utilizan ampliamente en equipos de minería, maquinaria vial, metalurgia, generación de energía eólica, excavadoras y otros equipos pesados, ¡y han tenido una gran acogida entre nuestros clientes!

ZHZB bearing





Embalaje


ZHZB bearing


Entrega:

1. Enviaremos por mensajería urgente para paquetes de menos de 45 kg, lo cual es más conveniente. De puerta a puerta.
Para envíos de 2,45 a 200 kg, optaremos por el transporte aéreo, la opción más segura, rápida y, por supuesto, la más cara.
3. Para envíos de más de 200 kg, los enviaremos por mar para reducir los costos de transporte.



¿Por qué elegirnos?

✬1. Producto de confianza

✬2. Tecnología avanzada

✬3. Servicio confiable

✬4. Precio competitivo




Preguntas frecuentes

P1: Quiero comprar sus productos, ¿cómo puedo pagar?
A: Puedes contactarme a través de Whatsapp para que te envíe mi información bancaria.

P2: Si no encontramos lo que buscamos en su sitio web, ¿qué debemos hacer?
R: Puede enviarnos por correo electrónico o WhatsApp las descripciones y fotos de los productos que necesita; comprobaremos si los tenemos. Desarrollamos nuevos artículos cada mes, y algunos aún no se han subido a la web. También puede enviarnos una muestra por mensajería urgente; la desarrollaremos para compras al por mayor.

P3: ¿Podemos comprar 1 unidad de cada artículo para realizar pruebas de calidad?
A: Sí, con gusto le enviaremos un kit de prueba de calidad si tenemos el artículo que necesita en stock.



Warra nty

1. Período de garantía:
El producto cuenta con una garantía de 3 meses a partir de la fecha de entrega. Al recibir el producto, el cliente deberá verificar que los artículos coincidan con el pedido. Contáctenos y facilítenos toda la información posible sobre el artículo en cuestión.


2. Deberá pagar los costos de reemplazo en las siguientes situaciones:
* Pedidos erróneos de los clientes.
* Cualquier caso de fuerza mayor causa daños.
* Instalación incorrecta.
* Horas extras y sobrecarga de trabajo en las piezas.
* Perdido debido a cualquier circunstancia.
* Se destruyen los factores humanos.
* Óxido y corrosión durante el almacenamiento y el funcionamiento.
* La garantía ha expirado.


3. Otros
Este tipo de producto se oxida fácilmente, por favor, empaquételo y almacénelo adecuadamente.





dejar un mensaje

Si está interesado en nuestros productos y desea conocer más detalles, deje un mensaje aquí, le responderemos lo antes posible.

Productos relacionados
9D-3242 9D3242
Caterpillar Motor Greader Roding 9D-3242 9d3242

Caterpillar Motor Greader Roding 9D-3242 9d3242 9d3242 Piezas de Caterpillar con cono120g, 120h, 120h Es, 120h Na, 120k, 120k 2, 135h, 135h Na, D6H, D7H

9D-3241 9D3241
Caterpillar Motor Greader Roding 9D-3241 9d3241

Caterpillar Motor Greader Bearing9d-3241 9d324 1 9d3241 Piezas de Caterpillar con cono120g, 120h, 120h Es, 120h Na, 120k, 120k 2, 135h, 135h Na, D6H, D7H

1P3934 1P-3934
Caterpillar Motor Greader Roding 1P3934 1P-3934 para 14g

Caterpillar Motor Greader Roding 1P3934 1P-3934 1P-3934 PIEZAS CATERPILLARES DE RODAMIENTOAjuste : 14g , 14h , 14h n / A , 14m

1P3935 1P-3935
Caterpillar Motor Greader Roding 1P3935 1P-3935 para 14g

Caterpillar Motor Greader Roding 1P3935 1P-3935 1P-3934 PIEZAS CATERPILLARES DE RODAMIENTOAjuste : 14g , 14h , 14h n / A , 14m

4B9373 4B-9373
Caterpillar Motor Greader Roding 4B9373 4b-9373 para 140e

Caterpillar Motor Greader Roding 4B9373 4b-9373 4b-9373 PIEZAS CATERPILLARES DE RODAMIENTOAjuste : 120b De 12e De 12F, 140B, 14E

4B9374 4B-9374
Caterpillar Motor Greader Roding 4B9374 4B-9374 para 140e

Caterpillar Motor Greader Roding 4B9374 4B-9374 4B-9374 PIEZAS CATERPILLARES DE RODAMIENTOAjuste : 120b De 12e De 12F, 140B, 14E

 4K7467 4K-7467
Caterpillar Motor Greader Roding 4k7467 4K-7467 para 14g

Caterpillar Motor Greader Roding 4k7467 4K-7467 4K-7467 PIEZAS CATERPILLARES DE RODAMIENTOAjuste : 14g, 14h, 14m

4W1203 4W-1203
Caterpillar Motor Greader Roding 4W1203 4W-1203 para 120h

Caterpillar Motor Greader Roding 4W1203 4W-1203 4W-1203 PIEZAS CATERPILLARES DE RODAMIENTOAjuste : 120h, 120k, 12h, 12k, 135h, 140h, 140k, 143h, 160h .

4W1204 4W-1204
Caterpillar Motor Greader Roding 4W1204 4W-1204 para 120h

Caterpillar Motor Greader Roding 4W1204 4W-1204 4W-1204 PIEZAS CATERPILLARES DE RODAMIENTOAjuste : 120h, 120k, 12h, 12k, 135h, 140h, 140k, 143h, 160h .

6B1124 6B-1124
Caterpillar Motor Greader Roding 6B1124 6B-1124 para 12e

Caterpillar Motor Greader Roding 6B1124 6B-1124 6B-1224 PIEZAS CATERPILLARES DE RODAMIENTOAjuste : 12e De 140g, 14e, 16,24h .

6K8088 6K-8088
Caterpillar Motor Greader Roding 6k8088 6K-8088 para 130 g

Caterpillar Motor Greader Roding 6k8088 6K-8088 6K-8088 PIEZAS CATERPILLARES DE RODAMIENTOAjuste : 120g De 12g, 130g, 140g, 160g, 16G.

7D8636 7D-8636
Caterpillar Motor Greader Roding 7d8636 7d-8636 para 130 g

Caterpillar Motor Greader Roding 7d8636 7d-8636 7d-8636 PIEZAS CATERPILLARES DE RODAMIENTOAjuste : 120g, 120h, 120k, 120k 2, 120m, 120m 2,12G , 12h, 12h ES , 12h NA, 12K , 12m , 130g , 135h , 140g , 140k , 14h , 160g , 16g , 24h , 24m .

Derechos de autor © 2026 Guangzhou HongJue Bearing Co., Ltd. Reservados todos los derechos.

Network IPv6 compatible con

arriba

dejar un mensaje

dejar un mensaje

    Si está interesado en nuestros productos y desea conocer más detalles, deje un mensaje aquí, le responderemos lo antes posible.

  • #
  • #
  • #